General Tech Questions Scheduled maintenance, Tune-ups Oil changes, service bulletins and other FAQs for the G37

How to hardware delete chirp/beep/buzzer

Thread Tools
 
Search this Thread
 
Old Feb 10, 2024 | 11:22 PM
  #1  
samatronexcel's Avatar
samatronexcel
Thread Starter
Registered User
 
Joined: Aug 2022
Posts: 1
Likes: 0
How to hardware delete chirp/beep/buzzer

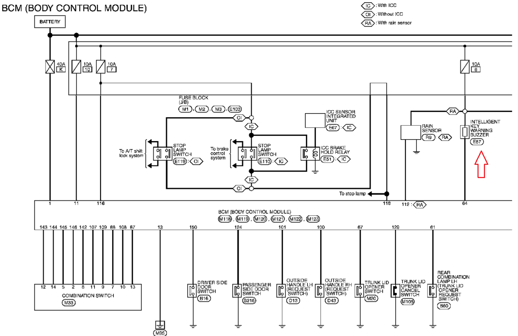
With my 2011 G37xS I was able to disable the lock/unlock fob beeps by using the fob (Press and hold the lock and unlock buttons on the fob until the car beeps) That silenced the beeps for the fob and the door and fob buttons, but not the trunk button. Every time I press the trunk button it beeps four times, always.
I found the beeper and unplugged it. It is beside the driver side air filter. Connector E57.










Reply
Related Topics
Thread
Thread Starter
Forum
Replies
Last Post
MyGcoupe
G37 Coupe
10
Oct 30, 2022 12:56 AM
Longhorn Tim
G37 Coupe
23
Sep 29, 2020 02:12 PM
ak_g37
G37 Sedan
21
Feb 22, 2012 06:43 PM
Krugar
G37 Sedan
5
Oct 16, 2009 01:10 PM
flux303
Audio, Video & Electronics
15
Jun 11, 2008 09:02 PM




All times are GMT -4. The time now is 11:31 AM.